P2VA2變送器
超高壓用高精度放大器內置壓力變送器(4 ~ 20ma)
量程:2000bar~5000bar
1:電流出力4~20mA
2:高精度
3:溶接の継ぎ目が無く、高信頼性および高耐久性
| 測定媒體 | 水?油?ガス等SUSを腐食させない媒體 |
|---|---|
| 測定種類 | 正圧の測定が可能 |
| 測定範囲 | 定格容量 2000, 3000, 5000bar |
| 出力種類 | 4~20mA(4線式) |
詳細信息
仕様 (機械的入力特性)
| 圧力タイプ | 絶対圧力 | |
|---|---|---|
| 精度等級 | 0.3%R.C. | |
| 初期値 | 0bar | |
| 標準溫度における動作範囲 | 0~約105% | |
| 標準溫度における限界圧 | 150% | |
| テスト圧 | 200%(5000bar:150%) | |
| 動的圧力 | 許容圧力 | 100% |
| 許容振動振幅 (DIN50 100に基づく) | 70% | |
| 自己體積 | 0.8cm3 | |
| コントロール部體積 | 1.5mm3 | |
| 被測定物接觸部の材質 | 1.4542(計測體) 1.4301(シール) | |
※ 受注生産品ですので詳細につきましては弊社営業部までお問い合わせください。
仕様 (出力特性)
| トランスデューサの認証方式 | TEDS(※1) | |
|---|---|---|
| 定格感度 | 4~20(16)mA | |
| ゼロ信號の感度公差(工場) | 2000,3000bar:<±0.016mA 5000bar:±0.032mA | |
| 感度公差 | 2000,3000bar:<±0.016mA 5000bar:±0.032mA | |
| 最大出力信號 | 21.6mA | |
| 零點の溫度影響(※2) | 0.2%/10k | |
| 出力の溫度影響(※2) | 0.2%/10k | |
| ヒステリシスを含む非直線性 | 0.3% | |
| 繰り返し性(DIN1319に基づく) | <±0.05% | |
| 出力信號の遮斷周波數 | -3dB | 4.5kHz |
| -1dB | 2kHz | |
| 抵抗値(最小) | 500Ω | |
(※1)弊社営業部までお問い合わせください。プロセス入力のため、弊社VGMHおよびVGM4には繋がりません。
(※2)ブリッジ印加電圧の定格範囲における10kあたりの溫度変化が及ぼす影響(測定値に対する比率)
仕様 (供給電圧)
| 標準電圧 | DC24V |
|---|---|
| ブリッジ印加電圧の定格範囲 | 15~30V(※3) |
| 供給電源の影響(15~30Vの変化で) | 0.02% |
| 最大消費電流 | 50mA |
| 最大消費電力 | <2W |
(※3)許容電力損失は、最大動作溫度範囲と最大印加電圧において超過します。したがって、最大動作溫度は70℃となります。
仕様 (周囲環境)
| 標準溫度 | +23℃ | |
|---|---|---|
| 定格溫度範囲 | 0~+70℃ | |
| 動作溫度範囲 | -20~+85℃ | |
| 保存溫度範囲 | -40~+85℃ | |
| 機械的衝撃試験 (DIN IEC68試験條件) | 衝撃加速度 | 1000m/s2 |
| 衝撃パルス幅 | 4ms | |
| 衝撃フォーム | 半正弦波 | |
| 耐振性(DIN IEC68試験條件) | 150m/s2 | |
仕様 (機械的仕様)
| 計測範囲 | 2000, 3000, 5000bar | |
|---|---|---|
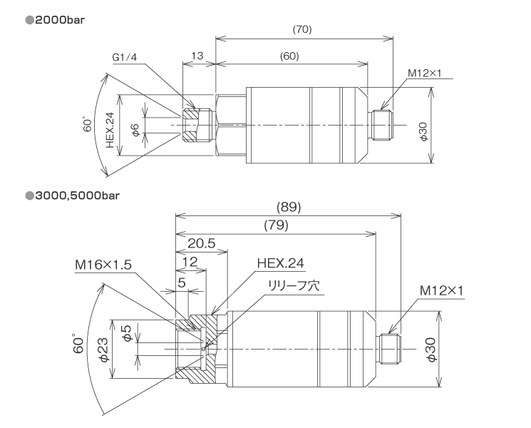
| 圧力導入部 | 2000bar:G1/4雄ネジ 3000,5000bar:M16×1.5雌ネジ | |
| シール | 2000bar:メタル、圧力口、58°テーパーのコーンシール(取り付けの際、変換器に設置)※3000, 5000barのみ | |
| トランスミッタ設置 | 2000bar:シールは圧力トランスミッタに取り付けられる 3000, 5000bar:直接圧力トランスミッタと高圧スクリューコネクタを取り付ける | |
| 締め付けトルク | 2000bar:30Nm 3000, 5000bar:30~50Nm | |
| 電気的接続 | M12×1/5-pinコネクタ | |
| 取り付け位置 | 全方位 | |
| 外徑寸法 | 長さ(圧力接続部を除く概算) | 70mm(5000barは約80mm) |
| 最大直徑(概算) | 30mm | |
| 六角形の平面幅 | 24mm | |
| 質量 | 2000bar:150g 3000, 5000bar:200g(ケーブルを除く概算) | |
| 保護等級 | IP67 | |
| 付屬品 | 固定スプリング付58度テーパー?コーンシール 1パック(2000barの計測範囲):オーダー番號2-9278.0371(計測範囲2000barに付屬、3000,5000barには含まれません) | |
| 接続ケーブル 1本 長さ5m 雌コネクタ 耐油(PUR) M12×1ソケットコネクタ付屬(5ピン):オーダー番號1-KAB166-5 | ||
| 別売品(※4) | 雌ネジG1/4(変換器側),雄ネジM20×1.5(接続側):オーダー番號1-Adapt-G1/4-M20 | |
| 雌ネジG1/4(変換器側),雄ネジG1/2(接続側):オーダー番號1-Adapt-G1/4-G1/2 | ||
| 固定スプリング付58度テーパー?コーンシール 1パック(2000barの計測範囲):オーダー番號2-9278.0371 | ||
| 接続ケーブル 1本 長さ5m M12×1雌ソケットコネクタ付屬(5ピン):オーダー番號3-3301.0185 | ||
| 接続ケーブル 1本 長さ20m M12×1雌ソケットコネクタ付屬(5ピン):オーダー番號1-KAB166-20 | ||
※ お客様ご設計の接続部分について
3000bar以上:M16×1.5 雌ネジ 例Nova Swiss社:高圧スクリューコネクタM16×1.5?P2V圧力電送機の六角面の中央にはリリーフ穴があります。
3000bar以下:G/4雄ネジ(これらの計測範囲の製品に含まれる固體スプリングおよび58°テーパー?コーンシールを使用
ライン穴の根本までの深さは17mm。Threadは少なくとも13.5mmの長さ。
ライン穴の外形寸法は-4mm鋭角端もしくはマージン最大0.5×45° -5mm鋭角端。(※4)計測範囲3000bar以下の製品のための接続アダプタ
型式の選択

| 型式選択 | チェック | 型式 | 仕様 | |
|---|---|---|---|---|
| 1.基本型式 | ○ | P2 | 超高圧用高精度アンプ內蔵圧力センサ | |
| 2.アナログ出力 | ○ | VA2 | 4~20mA 4線式 | |
| 3.校正レンジ | - | - | 定格容量 | 校正レンジの指定例 |
| 2000 | 2000bar | (0~2000)bar | ||
| 3000 | 3000bar | (0~3000)bar | ||
| 5000 | 5000bar | (0~5000)bar | ||
外形寸法(単位:mm)

配線図

推奨取り付け











