HSSC-A6 series(2線式輸出)
サニタリ型2線伝送式デジタル圧力計
量程:50kPa~3MPa
大型高輝度LED表示を可能にした2線伝送式デジタル圧力計
耐環境性を考慮したステンレス構造
強度の高い受圧面
封入液を使用しない安心?安全構造
| 測定媒體 | 各種酒類?乳飲料?調味料?純水?薬液等(センサ材質により異なります) |
|---|---|
| 測定種類 | 正圧?連成圧?負圧での測定が可能 |
| 測定範囲 | 定格容量50kPa~3MPa(校正レンジ25kPa~3MPa)範囲でご指定可能です 校正レンジは、定格容量の50%以上の出力レンジをご指定ください |
| 出力種類 | 4~20mA(2線式) |
詳細信息
仕様1(センサ部)
| 受圧接液部形狀?サイズ | ISOへルール?バリベント?ISO袋ナット?ネジマウント?その他特注 |
|---|---|
| 定格容量 | 定格容量は50kPa?3MPa(15Aヘルール:1MPa) |
| 材質 | SUS316L、ハステロイC-276相當、SUS329J4L |
| 接液部表面仕上げ | 受圧接液部材質による |
| 許容過負荷 | 400%R.C.(15Aヘルール、定格容量3MPa:150%R.C.) |
| 破壊耐圧 | 1000%R.C.(15Aヘルール、定格容量3MPa:300%R.C.) |
仕様2(アンプ部+センサ部)
| 精度(※1) (非直線性、ヒステリシス、繰り返し性を含む) | ±0.3%R.C.±1digit (定格300?500?1000kPa?3MPa) ±0.35%±R.C.±1digit (定格50?100?200kPa) ※負圧側は±1%R.C.以下 15Aヘルール:±1%R.C.±1digit. |
|---|---|
| 溫度補償範囲(接液部) | 高溫-5~150℃ |
| 許容溫度範囲(接液部) | 高溫-5~150℃ |
| 零點の溫度影響 | ±0.5%R.C./10℃(定格300?500?1000kPa?3MPa) ±0.7%R.C./10℃(定格50?100?200kPa) 15Aヘルール:±0.7%R.C./10℃ |
| 出力の溫度影響 | ±0.5%R.C./10℃(定格300?500?1000kPa?3MPa) ±0.7%R.C./10℃(定格50?100?200kPa) 15Aヘルール:±0.7%R.C./10℃ |
| 周囲溫濕度範囲 | 溫度0~50℃(氷結不可)、濕度0~90%RH(結露不可) |
| 材質 | SUS304(ケース)、SUS304(放熱フィン) |
| 保護構造 | IP65相當 |
| 質量 | 約700g |
| 付屬品 | 取扱説明書1部(和文または英文をご指定ください) 試験成績書1部 六角ナット1個(袋ナット型のみ) |
(※1)ヘルール形狀はクランプ締付後ゼロ調整を実施。
型式の選択

| 型式選択 | チェック | 型式 | 仕様 | |
|---|---|---|---|---|
| 1.基本型式 | ○ | HSSC | 高溫タイプ:接液部溫度範囲 -5~150℃ ステンレスケース | |
| 2.表示?アナログ出力 | ○ | A6 | 1999 3 ?桁 赤色LED 文字高:約14.2mm 表示変換周期約2.5回/秒固定 4~20mA(2線式) 応答性500Hz 許容負荷抵抗400Ω以下 | |
| 3.センサ接続 | ○ | AS | センサ下付直結(ツバなしケース) | |
| 4.表示角度 | 無し | 表示角度 正面上向き | ||
| (3) | 表示角度 正面右向き | |||
| (6) | 表示角度 正面下向き | |||
| (9) | 表示角度 正面左向き | |||
| 5.表示?校正レンジ | - | - | 校正レンジの指定例 | |
| 正圧 | 定格容量 1000kPa時1.000MPa (0~1.000)MPa | 表示?校正レンジの、 數値と単位をご記入ください | ||
| 負圧 | 定格容量 200kPa時-100.0kPa (0~-100)kPa | 負圧の場合は校正レンジ數値を ( )で括ってご記入ください(※2) | ||
| 連成圧 | 定格容量 300kPa時-100~300kPa (-100~300)kPa | 出力の校正レンジの、數値と単位を ( )で括ってご記入ください(※2)(※3) | ||
| 6.定格容量 | 005 | 50kPa | ||
| 010 | 100kPa | |||
| 020 | 200kPa(※3) | |||
| 021 | 200kPa(※3) (連成圧校正時に、ご使用が「負圧重視」の時は、この型式をご指定ください) | |||
| 030 | 300kPa(※3) | |||
| 031 | 300kPa(※3) (連成圧校正時に、ご使用が「負圧重視」の時は、この型式をご指定ください) | |||
| 050 | 500kPa | |||
| 100 | 1000kPa | |||
| 300 | 3MPa【表示?校正レンジ : 3.00MPa からご指定ください】 (受注生産品) | |||
| 7.受圧接液部形狀?サイズ | F0(※4) | 15Aヘルール ⑥定格容量 100 のみ選択可 ⑧受圧接液部材質 J4L のみ選択可 | 正圧のみ | |
| F1 | ヘルール 1.5S | |||
| F2 | ヘルール 2S | |||
| F3 | ヘルール 2.5S【受注生産品】 | |||
| F4 | ヘルール 3S【受注生産品】 | |||
| F6 | ヘルール 4S【受注生産品】 | |||
| V50A | バリベント DN50【受注生産品】 | |||
| V65A | バリベント DN65【受注生産品】 | |||
| V80A | バリベント DN80【受注生産品】 | |||
| V100A | バリベント DN100【受注生産品】 | |||
| R1 | 袋ナット 1.5S【受注生産品】六角ナット付屬 | |||
| R2 | 袋ナット 2S【受注生産品】六角ナット付屬 | |||
| G1 | 特殊フランジ溝有:テーラー型(受注生産品) | |||
| G2 | 特殊フランジ溝無:テーラー型(受注生産品) | |||
| M0 | ネジマウント型単體 専用Oリング1本付屬 | |||
| M1 | JIS20K50Aフランジ付 専用Oリング1本付屬 | |||
| M2 | JIS20K80Aフランジ付 専用Oリング1本付屬 | |||
| 8.受圧接液部材質 | 無記入 | SUS316L 電解複合研磨(Rz0.7μm?Ra0.2μm) ⑥定格容量すべてに対応 ⑦受圧接液部 形狀?サイズすべてに対応 | ||
| HS1 | ハステロイC-276相當 電解複合研磨(Rz0.7μm?Ra0.2μm) ⑥定格容量內 030?050?100?300から選択可 ⑦受圧接液部 形狀?サイズ內 F1?F2?F3?M0から選択可 | |||
| J4L(※5) | SUS329J4L バフ研磨(#400) ⑥定格容量內 030?050?100?300から選択可 ⑦受圧接液部 形狀?サイズ內F0? F1?F2?F3?M0から選択可 | |||
| 9.耐圧仕様 | H | 400%R.C.(3MPa?15Aヘルールは選択不可) | ||
| 無記入 | 150%R.C.(3MPa?15Aヘルールのみ) | |||
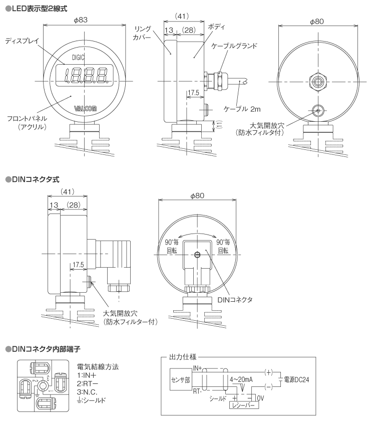
| 10.ケーブル接続形狀 | D | DINコネクタ | ||
| 無記入 | ケーブル直出し 2m | |||
| 11.電源 | ○ | 4 | DC24V(±10%) | |
(※2)校正レンジは定格容量が基本ですが、それ以外のご要求については、「使用センサ定格の50%以上であれば製作可能」です。
表示レンジ範囲は、4mA側:-200~200digit、20mA側100~1999digitの範囲內でご指定ください。(※3)連成時の校正は、正圧側でのみの校正と、負圧側は測定データの記載のみとしております。負圧の場合の判定基準は±1%R.C.以內です。また、負圧側重視の場合は、指示により負圧側を校正し、正圧側は測定データのみ(±1%R.C.以內)も記載しております。
校正に関しては、ご発注時に上記型式選択⑥「020、030=正圧側重視」or「021、031=負圧側重視」をご指定ください。(※4)15Aヘルールの仕様もご確認ください。
(※5)15Aヘルール時:電解複合研磨(Rz0.7μm?Ra0.2μm)
外形寸法(単位:mm)
※受圧接液部形狀?サイズはこちらをご參照ください

表示角度











