F4/F5 (N)
*F4/F5為2路輸入的差壓演算儀表;F4:ch.(1-2)減法演算和4設定出力;F5:ch.1有2設定出力、ch(1-2)有2設定出力。
*數字面板儀表顏色系列、用顏色通知變化、采用LCD顯示
*在噴涂、水處理領域發揮威力
*根據2ch的輸入運算差壓并在主顯示中顯示的F4/F5。各種設定輸出更加方便。
*可以根據顯示值(主顯示)的顏色判斷當前的運行狀態(正常/異常),變得容易看清。
*測量值的顯示色可以根據被設定值隔開的區域以“紅、橙、綠”3種顏色進行選擇設定。
*采用高速采樣“1000次/秒”。
*通過高速輸出,可用于高速控制/安全控制。
*模擬輸出標準裝備有“4~20mA”、“1~5V”、“0~5V”、可增選0~10V;BCD;RS232C;RS485)。。
*附有可自由可變設定測量范圍的輸出定標功能。
*功能:顯示調試、模擬輸出調試、顯示峰值(高峰值/低峰值/區間峰值/高to高峰值/采樣峰值)、自動零、最大值/最小值顯示、區域分類、模擬校驗、輸入值移動、副顯示ON/OFF、鍵盤鎖、顯示顏色更新速度、設定顯示更新速度、節電模式ON/OFF、采樣速度設定、軟式過濾、零固定ON/OFF、阻尼、零點移動、GO控制。
仕様
| 入力信號 | プロセス入力:4~20mA/0~5V/1~5V/0~10V 選択 センサ供給電源:DC12V 80mA max. |
|---|---|
| 入力インピーダンス | 4~20mA:68Ω 0~5V/1~5V/0~10V:68kΩ |
| 表示 | -9999~9999(小數點任意設定) LCD4桁 3色(赤?橙?緑)変色表示 |
| 采樣周期 | 1000回/秒 max. |
| 表示更新周期 | 1~10回/秒 選択可 |
| 確度 | 表示:± 0.05%F.S.±1digit(25℃±3℃) アナログ出力:±0.5%F.S.(25℃±3℃) |
| アナログ出力 | 4~20mA/0~5V/1~5V 切替選択 オプション 0~10V(※1) |
| 設定出力 (型式により選択) | 4設定 リレー出力 AC125V 0.3A(1設定あたり) / DC24V 1A(1設定あたり) 出力の応答時間 6msec.以下(※1) 4設定 フォトモスリレー出力 AC / DC250V 0.1A(1設定あたり) 出力の応答時間 5msec.以下(※1) |
| 使用溫度範囲 | 0~55℃(氷結不可) |
| 使用濕度範囲 | 35~85%RH(結露不可) |
| 電源 (型式により選択) | 電源 AC90~240V 50/60Hz 消費電力 15VA以下 |
| 電源 DC24V ±10% 消費電流 300mA以下 | |
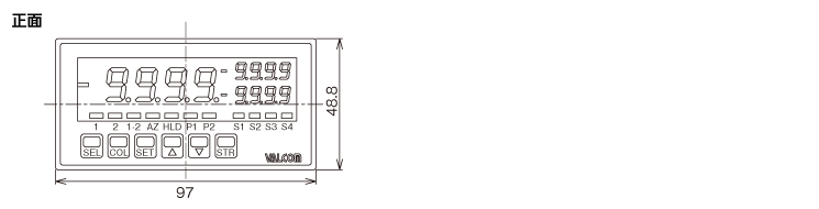
| 外形寸法 | 97(W)×48.8(H)×132.5(D) ※出力オプションなしの場合 |
| 質量 | 約300g(仕様により異なります) |
| 付屬品 | 取扱説明書1部、単位シール、初期設定表、パネルマウントブラケット、アンフェノールコネクタ(5730240)(BCD出力機能のみ) |
| その他の機能 | 表示スケーリング、アナログ出力スケーリング、表示ホールド(アッパーピーク/ボトムピーク/區間ピーク/ピークtoピーク/サンプルホールド)、オートゼロ、最大値/最小値表示、パターンセレクト、シミュレーション機能、入力値シフト 副表示ON/OFF、キープロテクト、主表示色可変表示、表示更新周期設定、省電力モードON/OFF、サンプリング速度設定、ダンピング時定數、ゼロサプレスON/OFF、FIXゼロ |
(※1)0~90%応答時間。サンプリング周期、ダンピング時定數最速設定時
設定出力
| F4 | ch.(1-2)に対して4設定出力 |
|---|---|
| F5 | ch.1に対して2設定出力 ch.(1-2)に対して2設定出力 |
オプション出力
| A5 アナログ出力 (0~10V) | 0~10V 許容負荷抵抗 10kΩ以上 応答時間 4msec.以下(※) アナログ出力精度 ±0.5%F.S.(25℃±3℃) 溫度特性 ±0.35%F.S./10℃ |
|---|---|
| BO BCDオープンコレクタ出力 | NPNオープンコレクタ DC50V 100mA以下 応答時間 5msec.以下(※) |
| RS RS-232C | RS-232C準拠 2線式半二重 調歩同期 伝送速度(300/600 1200/2400/4800/9600/19200/38400 bps) ストップビット(1, 2ビット) パリティ(なし, 奇數, 偶數) 通信データ長(7, 8ビット) ユニットNo.(0~99) |
| R1 RS-485 | RS-485準拠 2線式半二重 調歩同期 伝送速度(300/600 1200/2400/4800/9600/19200/38400 bps) ストップビット(1, 2ビット) パリティ(なし, 奇數, 偶數) 通信データ長(7, 8ビット) ユニットNo.(0~99) |
(※)0~90%応答時間。サンプリング周期、ダンピング時定數最速設定時
型式の選択

| 型式選択 | チェック | 型式 | 仕様 |
|---|---|---|---|
| 1.基本型式 | F4 | 2ch.入力 差圧演算主表示切替型 (前面[SEL]キーにて、主表示をch.1、ch.2、ch.(1-2)切替表示) | |
| F5 | 2ch.入力 差圧演算主表示切替型 (前面[SEL]キーにて、主表示をch.1、ch.2、ch.(1-2)切替表示) | ||
| 2.電源[消費電力] | 4 | DC電源 24V ±10% 消費電流 300mA以下 | |
| 7 | AC電源 90~240V 消費電力 50/60Hz 15VA以下 | ||
| 3.入力信號 | N | マルチ入力 プロセス入力 4~20mA/0~5V/1~5V センサ供給電源 DC12V 80mA max. | |
| A5 | 0~10V/4~20mA(注) | ||
| 4.設定出力 | S | 4設定 リレー出力 AC125V 0.3A / DC24V 1A(1設定あたり) | |
| O | 4設定 フォトモスリレー出力 AC / DC250V 0.1A(1設定あたり) | ||
| 5.出力信號 (オプション指定) | 無記入 | 4~20mA 許容負荷抵抗:250Ω以下 0~5V/1~5V 許容負荷抵抗:10kΩ以上 アナログ出力の精度 ±0.5%F.S.(25℃±3℃) 溫度特性 ±0.35%F.S./10℃ | |
| A5 | アナログ出力 0~10V 許容負荷抵抗:10kΩ以上 | ||
| BO | BCDオープンコレクタ出力 NPN型 | ||
| RS | RS-232C | ||
| R1 | RS-485 |
(注)本機に弊社アンプ內蔵センサ0~10V出力タイプ(型式:A5)を接続する場合は、本機のセンサ用供給電源は使用できません。
センサ用供給電源を別途ご用意ください。
外形寸法(単位:mm)
F4/F5 プロセス入力タイプ



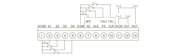
端子臺接続図

(A)制御端子接続図 出力、制御入力用端子臺(上段)接続図

| 端子番號 | 端子名 | 機能説明 | 端子番號 | 端子名 | 機能説明 |
|---|---|---|---|---|---|
| 1 | SCOM | 比較設定出力COM | 8 | HLD | ホールド |
| 2 | S1 | 比較設定出力1 | 9 | P.SEL2 | パターンセレクト2 |
| 3 | S2 | 比較設定出力2 | FZ | 強制ゼロ | |
| 4 | S3 | 比較設定出力3 | 10 | P.SEL1 | パターンセレクト1 |
| 5 | S4 | 比較設定出力4 | CLR | クリア | |
| 6 | ICOM | 制御入力COM | 11 | ACOM | アナログ出力COM |
| 7 | SPC | サンプルホールドクリア | 12 | IOUT | アナログ(電流)出力+ |
| AZ | オートゼロ | 13 | VOUT | アナログ(電圧)出力+ |
(B)オプション出力接続図
●BCD信號出力

アンフェノール : 5740240 付屬品 : アンフェノール : 5730240
| 項目 | ピン番號 | 項目 | |||
|---|---|---|---|---|---|
| EOC(変換終了信號) | 1 | 13 | デジタルGND. | ||
| ×100 BCD OUT | 1 | 2 | 14 | 1 | ×102 BCD OUT |
| 2 | 3 | 15 | 2 | ||
| 4 | 4 | 16 | 4 | ||
| 8 | 5 | 17 | 8 | ||
| ×101 BCD OUT | 1 | 6 | 18 | 1 | ×103 BCD OUT |
| 2 | 7 | 19 | 2 | ||
| 4 | 8 | 20 | 4 | ||
| 8 | 9 | 21 | 8 | ||
| - | 10 | 22 | - | ||
| OVER(オーバー) | 11 | 23 | POL.(ポラリティ) | ||
| - | 12 | 24 | - | ||
●RS-232C通信

| 信號名略稱 | ピン番號 | 機能説明 | 入出力 |
|---|---|---|---|
| SD | 2 | 送信データ | 出力 |
| RD | 3 | 受信データ | 入力 |
| FG | 1 | 保安用接地、またはケーブルのシールド | - |
| RS | 4 | 送信要求 | 出力 |
| CS | 5 | 送信可 | 入力 |
| SG | 7 | 信號用接地 | - |
| DR | 6 | データセットレディ | 入力 |
| ER | 20 | データ端末レディ | 出力 |
●RS-485通信

| 信號名 | 端子番號 | 項目 | 入出力 |
|---|---|---|---|
| A+ | 23 | 非反転出力 | 入出力 |
| B- | 24 | 反転出力 | 入出力 |
| SG | 25 | 信號用接地 | - |
| 終端抵抗 | 26 | 最終局は 両端子を短絡する | - |
| 27 |
(C)入出力端子接続図











